2M422A
采用專業驅動控制芯片,多檔細分可選;
更低的電機發熱、運行噪聲和更高的平穩性;
電機的驅動輸出相電流,可通過DIP開關調整;
控制信號的輸入電路采用光耦器件隔離,降低外部噪聲的干擾;
具備短路、過壓、欠壓、過熱等完善保護功能,可靠性高;
參數
輸入電源
+10V~36V
電流輸出
0.4A~2.5A
驅動方式
PWM(脈寬調制)恒流斬波,兩相正弦波電流輸出。
適配電機
35、39、42系列兩相混合式步進電機
工作環境
避免金屬粉塵、油霧或腐蝕性氣體
存放環境
0℃~50℃ 15~85%RH、不結露。
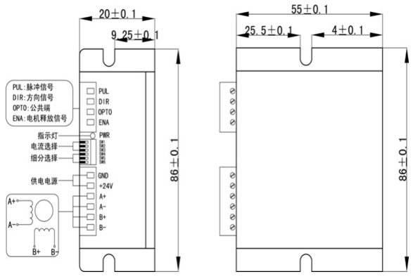
外形尺寸
86*55*20mm(見外觀尺寸)(長*寬*高)
重 量
0.1Kg
電流細分設定:
輸出峰值電流
SW1
SW2
SW3
0.4 A
on
on
on
0.7 A
on
on
off
1.0 A
on
off
On
1.3 A
on
off
off
1.6 A
off
on
on
1.9 A
off
on
off
2.2 A
off
off
on
2.5 A
off
off
off
信號接口與時序 :

驅動器內部電路

機械安裝圖

注意 : 所有標價均為不開票價,需要開票的買家請一定要在購買前與我們聯系并提供詳細的開票資料 。我司開立的是17個點的增值稅發[piao]。
常州市偉通機電制造有限公司
銷售電話 : 86-519
售后 :
傳真 : 86-519
郵箱 :