FZW32負荷開關 FZW32負荷開關廠家 FZW32負荷開關高耀廠家批發的詳細描述:
FZW32負荷開關 FZW32負荷開關廠家FZW32負荷開關高耀廠家批發





FZW32-40.5RD戶外高壓(隔離)真空負荷開關
FZW32負荷開關概述
FZW32-40.5RD/1250-25型戶外高壓(隔離)真空負荷開關—熔斷器組合電器(以下簡稱組合電器)是由我公司研制開發、并由我公司生產的新一代高壓電器產品,經嚴格的型式試驗和長期試運行考核,各項技術性能指示全部達到GB16926和IEC420標準,適用于額定電壓40.5KV、額定電流1250A、三相交流50Hz的供電網絡中。
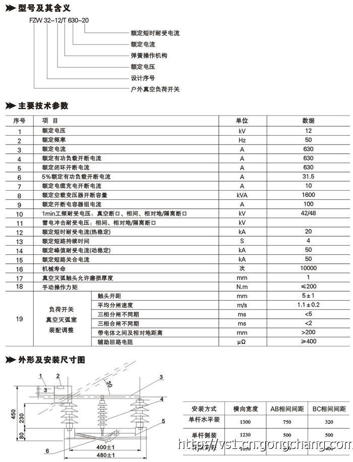
FZW32負荷開關型號含義
FZW 32-12/630-20 戶外高壓隔離真空負荷開關
FZW 32-12D /630-20 戶外高壓隔離真空負荷開關(帶接地開關)
FZW 32-12R/630-20 戶外高壓隔離真空負荷開關(帶熔斷器坐,熔斷器電流125A)
FZW 32-12RD/630-20戶外高壓隔離真空負荷開關—熔斷器組合電器(帶接地開關、帶熔斷器坐,熔斷器電流125A)
負荷開關附裝高壓限流熔斷器,熔體電流(A):6.3、10、16、20、25、31.5、40、50、63、71、80、100、125.
FZW32負荷開關使用環境條件
海拔不超過1000m;2000m;3500m(用戶訂貨時必須注明要求, 不注明要求為海拔1000m)。
周圍空氣溫度上限 40℃,下限-30℃
相對濕度:日平均值不大于95%,月平均值不大于90%
無經常性的劇烈振動。
FZW32負荷開關技術數據
序 號
名 稱
單 位
參 數 值
1
額定電壓
KV
12
2
額定頻率
Hz
50
3
額定電流
A
630
4
額定有功負載開斷電流
A
630
5
額定閉環開斷電流
A
630
6
5%額定有功負載開斷電流
A
31.5
7
額定電纜充電開斷電流
A
10
8
1min工頻耐受電壓:真空斷口、相間/相對地隔離斷口
KV
42/48
9
雷電沖擊耐受電壓:相間、相對地/隔離斷口
KV
75/85
10
額定短時耐受電流(熱穩定)
KA
20
11
額定短路持續時間
S
4
12
額定峰值耐受電流(動穩定)
KA
50
13
額定短路關合電流
KA
50
14
機械壽命
次
10000
15
真空滅弧室觸頭允許磨損厚度
mm
0.6
16
手動操作力矩
Nm
≤300
詢價須知:FZW32負荷開關
詢價產品名稱: ,型號規格: 訂購數量











我們以質量求生存,以科技促發展的進取精神,不斷提高企業管理水平和產品質量,這是我們的追求,
真誠的為用戶服務,受到廣大用戶的一致好評。我們歡迎各界朋友攜手合作,建立友誼,共創輝煌。
本公司經銷商和辦事區涉及:吉林 廣州 遼寧省 南京 鄭州 四川 福建 山東哈爾濱 新疆 江西 江蘇 河南 湖南 甘肅 廣西。
因為我們是廠家生產,所以我們的價格優勢,讓您以的價格買到優質的產品!充分保證客戶的利益是我們的宗旨,實現共利雙贏,共同發展,
高耀電氣特點,質量優良,性能可靠,用戶滿意,布局合理。美觀 簡潔 體積小 操作靈活使用壽命長,檢修方便,機構維修等以上特點。
高耀電氣的性能,性能高,故障低,維修方便,結構簡單,適應于頻繁操作的場合等性能。
本公司的產品一律三包,包換,包退,包修,凡在本公司購買的產品,七天內有質量問題一律無條件包退,三個月有質量問題包換,一年包修等。
我們以專業高電器技術為根基,富有創新的技術人員不斷地研究開發新產品,本公司本著“信譽,顧客至上”的宗旨,切實做到“質量可靠,交貨及時,價格合理,服務優秀”的承諾,提供顧客全方位的解決方案.
歡迎致電本公司,聆聽您的需求聲音,不斷完善售后服務體系,竭誠為您服務!
謹以期待各業先進惠予支持與指教!!聯系電話;. QQ郵箱。
推薦產品
真空斷路器
VS1真空斷路器 vd4真空斷路器, zw32真空斷路器
Zw8真空斷路器, VEP真空斷路器,
FN12負荷開關 ZN28真空斷路器 ZW10真空斷路器
ZN23真空斷路器 ZN85真空斷路器
ZN12真空斷路器 ZW7-40.5真空斷路器,
ZW7真空斷路器 ZW20真空斷路器
VBG真空斷路器 ZW6真空斷路器
VS1-12/630真空斷路器
VS1-12/1250真空斷路器
FZW32負荷開關