聯系電話:

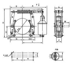
YWZ3-200/25液壓制動器
產品概述:
YWZ3系列電力液壓制動器,是以MYT1系列電力液壓推動器為驅動件的瓦塊式制動器主要適用于起重、運輸、冶金、礦山、港口、建筑機械等機械制動控制裝置。該產品具有動作頻率快、制動平穩、制動力矩可調、磨擦襯墊更換方便迅速、壽命長、無噪音等優點。
使用條件:
1、環境溫度-30℃~ 50℃;
2、空氣相對濕度不大于90%;
3、一般用于三相交流電源50HZ、380V;
4、所配用的推動器一般適用于垂直工作,傾斜度不超過±1 5;
5、采用中國標準·JB6333·JB/T6406.1·JB/T6406.3·GBl497。